Тройник круглого сечения
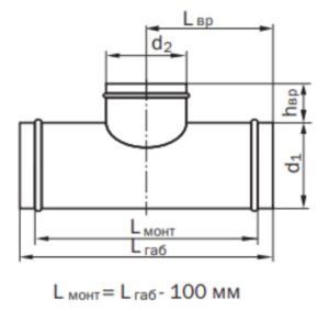
Тройник круглый используется для присоединения ответвлений круглых воздуховодов к основному вентиляционному каналу. Стандартное исполнение центрального выхода относительно основы тройника – 90° и 45°.
«Н» (Нормальное)
Если диаметр врезки большего чем диаметр ствола, то тройник круглый выполняется в виде крестовины с глушенным стволом.


Нержавеющая сталь ГОСТ 5632-72
Черная сталь — ГОСТ 19903-74
0,9 мм, 1,0 мм, 1,2 мм
Фланцевое
Муфтовое
Особенности:
Тройник круглого сечения позволяет организовывать идеальную работу механических систем. Производится разных размеров, что позволяет регулировать показатели мощности механической вентиляции, а также выставлять значения определенного давления, что часто требуется для соблюдения норм работы вентиляции в помещениях с определенной площадью.
КТ – круглый тройник
КТП – круглый тройник переходной
КТШ – круглый тройник штаны
КТПВ – круглый тройник с прямоугольной врезкой
Тройник круглого сечения используется для присоединения ответвлений круглых воздуховодов к основному вентиляционному каналу. Тройник круглый в Челябинске от производителя. Заявку на изготовление круглых тройников и других фасонных изделий круглого сечения можно отправить по электронной почте zakaz@pikuspeha.ru или по телефону +7 (351) 277-91-45.
Дополнительные товары:
Бланк заказа
ООО "ВЕНТПРО"
- Косарева, 2 к.1
- +7 (351) 277-91-45
- zakaz@pikuspeha.ru
Производство полного спектра вентиляционных изделий из стали. продукция сертифицирована.